电动对夹式软密封蝶阀-D971X
- 销售:
- 销售:
- 传真:
详情介绍
- 产品介绍
- 服务承诺
- 订货流程
D971X电动对夹式软密封蝶阀采用双偏心结构,具有越关越紧的密封功能,密封性能可靠。密封副材料选用不锈钢和丁腈耐油橡胶配对,使用寿命长。橡胶密封圈即可位于阀体上,也可以位于蝶板上,可适用不同特点的介质,供用户选择。蝶板采用框架结构,强度高,过流面积大,流阻小。整体烤漆、能有效地防止锈蚀且只要更换密封阀座密封材料,就可使用于不同介质。D971X电动对夹蝶阀具有双向密封功能,安装时不受介质流向的控制,也不受空间位置的影响,可在任何方向安装。本阀结构独特,操作灵活,省力,方便。
电动对夹式软密封蝶阀 结构特点与用途
D971X电动对夹式蝶阀采用对夹板式结构,主要由阀体,阀板,阀轴,阀座及传动装置组成,结构简单紧凑,小巧轻便,运输,安装,拆卸方便;90°的启闭,开关迅速,操作扭矩小,省力轻巧;密封性能好,使用寿命长,可达到零泄露;其流量特性近似于直线,调节性能好。D971X电动对夹蝶阀为橡胶密封,关闭时蝶板和阀座密封性能良好,双向密封性能优良,扭矩值小,阀门在工作压力下保持,且蝶板与阀座密封之间的磨擦小。阀门由阀轴驱动阀板,阀板做90°转动。蝶板启闭灵活,无卡涩、跳动现象,扭矩小。用途:熊猫体育平台官方网站-熊猫(中国)研制的软密封中线对夹式蝶阀,双偏心法兰式蝶阀结构紧凑,90°回转开关轻松,密封可靠,使用寿命长。被广泛用于水厂、电厂、钢厂、造纸、化工、轻纺、食品等给排水、气体管道上作调节流量和截流介质的作用。
电动对夹式软密封蝶阀 执行机构
电动执行机构技术参数:电源AC110、220、380V、DC24,公称通径DN50~1200mm,输出力矩50N·M~2000N·M,公称压力PN0.6、1.0、1.6Mpa,功能选型:开关型、无源触点型、阀位信号反馈型、智能调节型。适用温度≤120℃,适用介质水、气、油品及弱腐蚀性流体,输入信号4-20mA,1-5V,0-10V;输出信号:4-20mA,1-5V,0-10V。使用方便:采用单相电源,接线简单;采用的球型凸出结构,使观察更方便;免加油免点检、防水防锈、任意角度安装。保护装置有双重限位、过热保护、过载保护。全行程时间5秒、10秒、15秒、30秒、45秒、60秒。及带手动功能。内置模块采用先进计算机单片及智能控制软件直接接收计算机或工业仪表等输出的标准信号(4-20mA DC /1-5VDC)实现阀门开度的智能控制和定位。
也可选用3810系列或PSQ系列,大口径阀门一般采用380VAC电动执行器。
电动对夹式软密封蝶阀 零件材料
零件名称 | 材料 |
阀体 | 灰铸铁、球墨铸铁、铸钢、不锈钢、特殊材料 |
蝶板 | 球墨铸铁、铸钢、不锈钢、合金钢 |
阀轴 | 2Cr13、不锈钢 |
密封圈 | 各种橡胶、聚四氟乙烯 |
填料 | O型圈、柔性石墨 |

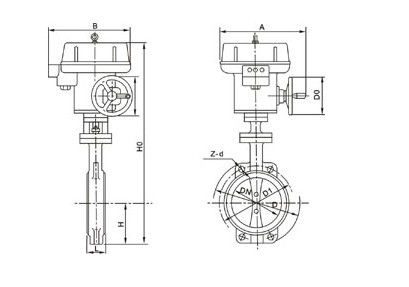
电动对夹式软密封蝶阀 外形尺寸
DN | L | H | H1 | A | B | 0.6MPa | 1.0MPa | 1.6MPa | |||
DO | n-d | DO | n-d | DO | n-d | ||||||
50 | 43 | 63 | 306 | 180 | 200 | 110 | 4-14 | 125 | 4-18 | 125 | 4-18 |
65 | 46 | 70 | 321 | 180 | 200 | 130 | 4-14 | 145 | 4-18 | 145 | 4-18 |
80 | 46 | 83 | 346 | 180 | 200 | 150 | 4-18 | 160 | 8-18 | 160 | 8-18 |
100 | 52 | 105 | 387 | 180 | 200 | 170 | 4-18 | 180 | 8-18 | 180 | 8-18 |
125 | 56 | 115 | 411 | 180 | 200 | 200 | 8-18 | 210 | 8-18 | 210 | 8-18 |
150 | 56 | 137 | 447 | 270 | 280 | 225 | 8-18 | 240 | 8-22 | 240 | 8-22 |
200 | 60 | 164 | 572 | 270 | 280 | 280 | 8-18 | 295 | 8-22 | 295 | 8-22 |
250 | 68 | 206 | 646 | 270 | 280 | 335 | 12-18 | 350 | 12-22 | 355 | 12-26 |
300 | 78 | 230 | 738 | 380 | 420 | 395 | 12-22 | 400 | 12-22 | 410 | 12-26 |
350 | 78 | 248 | 761 | 380 | 420 | 445 | 12-22 | 460 | 16-22 | 470 | 16-26 |
400 | 102 | 289 | 877 | 450 | 470 | 495 | 16-22 | 515 | 16-26 | 525 | 16-30 |
450 | 114 | 320 | 938 | 480 | 490 | 550 | 16-22 | 565 | 20-26 | 585 | 20-30 |
500 | 127 | 343 | 993 | 480 | 490 | 600 | 20-22 | 620 | 20-26 | 650 | 20-33 |
600 | 154 | 413 | 1131 | 480 | 490 | 705 | 20-26 | 725 | 20-30 | 770 | 20-36 |
700 | 165 | 478 | 1476 | 640 | 660 | 810 | 24-26 | 840 | 24-30 | 840 | 24-36 |
800 | 190 | 525 | 1533 | 640 | 660 | 920 | 24-30 | 950 | 24-33 | 950 | 24-39 |
900 | 203 | 585 | 1655 | 750 | 860 | 1020 | 24-30 | 1050 | 28-33 | 1050 | 38-39 |
1000 | 216 | 640 | 1765 | 850 | 900 | 1120 | 28-30 | 1160 | 28-36 | 1170 | 28-42 |
1200 | 254 | 755 | 1995 | 850 | 900 | 1340 | 32-33 | 1380 | 32-39 | 1390 | 32-48 |
良好的品质、优良的服务 熊猫体育平台官方网站-熊猫(中国)为你创造更多价值!
“熊猫体育平台官方网站-熊猫(中国)”的期望,不断提升服务质量,精益求精,“真诚的服务”是“熊猫体育平台官方网站-熊猫(中国)”永恒的主题。“熊猫体育平台官方网站-熊猫(中国)”严格按照IS09001-2000 质量体系认证要求,质量严格把关, 责任到人,确保生产、销售、服务的健康运行。加强与用户沟通,竭诚为广大客户提供优良产品,至善至美服务。特此我厂做出以下承诺:
产品标准:
产品严格按照中国GB、HG 标准和美国API等标准设计、制造、验收。密封面硬度达到国家规定要求,宽度超过国家标准。
售前服务:
产品介绍,技术交流,非标产品设计,疑难解答。
售中服务:
守信合同,保证及时供货,随时保持与客户联系。 对特殊或复制的产品,我厂安排技术人员对用户进行产品使用、故障排除
售后服务:
1、“熊猫体育平台官方网站-熊猫(中国)”牌产品品质期为自出厂起12个月,实行“三包”服务(包退、包换、保修)。
2、产品在使用中我厂定期组织技术、质检人员进行访问,征询用户对产品质量、 使用状况、改进意见等方面的反馈, 以便进一步提高产品质量。
3、对用户投诉质量问题,快速作出反应,售后服务人员在24-36小时(省外48小时)赶赴现场。
4、对售后服务,要求用户填写服务后的质量反馈信息表,并作出鉴定意见,以便提高熊猫体育平台官方网站-熊猫(中国)的服务质量。
1、客户如对产品有特殊要求,须在订货合同中提供以下说明:
a、结构长度;
b、连接形式;
c、公称直径、全通径、缩径、管道尺寸;
d、运行介质及温度、压力范围;
e、试验、检验标准及其他要求
2、本厂可根据客户特定要求配置各类驱动装置。
3、如由客户提供确定的阀门类型和型号时,客户应正确说明其型号的含义和要求,在供需双方理解一致的条件下签订合同。
4、期货、订货的客户请先来电函详细告诉所需的阀门型号、规格、数量以及交货时间、地点,并按总的30%预定金或全额货款及时汇入我厂帐户,其余货款待发货前汇入,以便及时安排发货。
订单流程:
1、客户采购清单传真至,或来电咨询
2、收到客户采购清单,为客户提供阀门型号选型与报价(价格清单)。
3、具体商定:交货期、特殊要求等事宜。
订货须知:
1、客户如对产品有特殊要求,须在订货合同中提供以下说明:
|
|||||
|
|||||
2、本厂可根据客户特定要求配置各类驱动装置。
|
|||||
3、如由客户提供确定的阀门类型和型号时,客户应正确说明其型号的含义和要求,在供需双方理解一致的条件下签订合同。
|
|||||
4、期货、订货的客户请先来电函详细告诉所需的阀门型号、规格、数量以及交货时间、地点,并按总的30%预定金或全额货款及时汇入我厂账户, 其余货款待发货前汇入,以便及时安排发货。
|
售中服务:
守信合同,保证及时供货,随时保持与客户联系。
对特殊或复制的产品,我厂安排技术人员对用户进行产品使用、故障排除
售后服务:
1、“熊猫体育平台官方网站-熊猫(中国)”产品品质期为自出厂起12个月,实行“三包”服务(包退、包换、保修)。
2、产品在使用中我厂定期组织技术、质检人员进行访问,征询用户对产品质量、使用状况、改进意见等方面的反馈,
以便进一步提高产品质量。
3、对用户投诉质量问题,快速作出反应,售后服务人员在24-36小时(省外48小时)赶赴现场。
4、对售后服务,要求用户填写服务后的质量反馈信息表,并作出鉴定意见,以便提高“熊猫体育平台官方网站-熊猫(中国)”的服务质量。
声明 |
|