Q41F软密封球阀
- 销售:
- 销售:
- 传真:
详情介绍
- 产品介绍
- 服务承诺
- 订货流程
Q41F软密封球阀不仅结构简单、密封性能好,而且在一定的公称通经范围内体积较小、重量轻、材料耗用少、安装尺寸小,并且驱动力矩小,操作简便、易实现快速启闭,是近十几年来发展较快的阀门品种之一。软密封球阀是由旋塞阀演变而来的,它的启闭件作为一个球体,利用球体绕阀杆的轴线旋转90°实现开启和关闭的目的。软密封球阀在管道上主要用于切断、分配和改变介质流动方向,在化工产品、医药和食品经营种;在水电、火电和核电的电力经营系统中;在城市和工业企业的给排水、供热、和供气系统中;在农田的排灌系统中;在治金经营系统中得以广泛的应用,是一种与经营建设、国防建设和人民生活息息相关的重要机械产品。手动软密封球阀密闭在各类管路系统种用于截断或接通介质流,使介质按照预定的程序输送到各个指定点。
软密封球阀产品特点
(1)流体阻力小,其阻力系数与同长度的管段相等。
(2)结构简单、体积小、重量轻。
(3)紧密可靠,目前球阀的密封面材料广泛使用塑料、密封性好,在真空系统中也已广泛使用。
(4)操作方便,开闭迅速,从全开到全关只要旋转90°,便于远距离的控制。
(5)维修方便,球阀结构简单,密封圈一般都是活动的,拆卸更换都比较方便。
(6)在全开或全闭时,球体和阀座的密封面与介质隔离,介质通过时,不会引起阀门密封面的侵蚀。
(7)适用范围广,通径从小到几毫米,大到几米,从高真空至高压力都可应用。 球旋转90度时,在进、出口处应全部呈现球面,从而截断流动。
软密封球阀 主要零件材料
序号 | 零件名称 | 国标材质 | 美标材质 |
1 | 阀体 | WCB | A216-WCB |
2 | 密封圈 | PTFE | PTFE |
3 | 球体 | 1Cr18Ni9Ti | SS304 |
4 | 螺母 | 35 | A194-2H |
5 | 螺柱 | 35CrMoA | A193-B7 |
6 | 石体 | WCB | A216-WCB |
7 | 垫片 | 柔性石墨+不锈钢 | B12.10-304/F.G |
8 | 填料 | PTFE | PTFE |
9 | 填料压盖 | WCB | A216-WCB |
0 | 定位片 | 25 | A105 |
11 | 挡圈 | 65Mn | AISI 1066 |
12 | 手柄 | K33 | A47-667 Gr.32510 |
13 | 阀杆 | 1Cr33 | A276-410 |
14 | 螺钉 | 35 | A193-B7 |
15 | 止推垫片 | PTFE | PTFE |
软密封球阀 技术规范
设计依据 | 国标系列 | 美标系列 | |
设计标准 | GB/T12237 | AP16D | ANSI B16.34 |
法兰连接结构长度 | GB/T12221 | AP16D | ANSI B16.10 |
结构长度焊接 | GB/T15188.1 | AP16D | ANSI B16.10 |
连接法兰 | GB/T9113 | ANSI B16.5、B16.47 | |
对焊端 | GB/T12224 | ASNI B16.25 | |
试验和检验 | GB/T9092 | AP16D | AP1598 |
软密封球阀 性能规范
压力等级 | 试验压力(MPa) | ||
公称压力(PN) | 磅级(Class) | 壳体试验 | 密封试验 |
1.0 | - | 1.5 | 1.1 |
1.6 | - | 2.5 | 1.76 |
2.5 | - | 3.8 | 2.75 |
4.0 | - | 6.0 | 4.4 |
6.4 | - | 9.6 | 7.04 |
- | 150 | 3.0 | 2.2 |
- | 300 | 7.6 | 5.6 |
- | 600 | 15.0 | 11.0 |
- | 10K | 2.4 | 1.5 |
- | 20K | 5.8 | 4.0 |

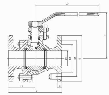
软密封球阀 主要外形尺寸
PN1.6MPa外形尺寸
公称通径DN | 15 | 20 | 25 | 32 | 40 | 50 | 65 | 80 | 100 | 125 | 150 | 200 |
L | 130 | 140 | 150 | 165 | 180 | 200 | 220 | 250 | 280 | 320 | 360 | 400 |
H | 59 | 63 | 75 | 85 | 95 | 107 | 142 | 152 | 178 | 252 | 272 | 342 |
W | 130 | 130 | 160 | 180 | 230 | 230 | 400 | 400 | 650 | 1050 | 1050 | 1410 |
Wt(Kg) | 2.5 | 3 | 5 | 6 | 7 | 10 | 15 | 19 | 33 | 58 | 93 | 160 |
法兰连接尺寸 | GB/T9113、JB/T79、HG/T20594 | |||||||||||
PN2.5MPa外形尺寸
公称通径DN | 15 | 20 | 25 | 32 | 40 | 50 | 65 | 80 | 100 | 125 | 150 | 200 |
L | 130 | 140 | 150 | 165 | 180 | 200 | 220 | 250 | 320 | 400 | 400 | 550 |
H | 59 | 63 | 75 | 97 | 107 | 142 | 152 | 178 | 252 | 272 | 342 | 345 |
W | 130 | 130 | 160 | 230 | 230 | 400 | 400 | 700 | 1100 | 1100 | 1500 | 1500 |
Wt(Kg) | 2.5 | 3 | 5 | 6 | 7.5 | 10 | 15 | 20 | 33 | 60 | 93 | 175 |
法兰连接尺寸 | GB/T9113、JB/T79、HG/T20594 | |||||||||||
PN4.0MPa外形尺寸
公称通径DN | 15 | 20 | 25 | 32 | 40 | 50 | 65 | 80 | 100 | 125 | 150 | 200 |
L | 130 | 140 | 150 | 180 | 200 | 220 | 250 | 280 | 320 | 400 | 400 | 400 |
H | 59 | 63 | 75 | 85 | 95 | 107 | 142 | 152 | 178 | 252 | 272 | 342 |
W | 130 | 130 | 160 | 230 | 230 | 400 | 400 | 700 | 1100 | 1100 | 1500 | 1500 |
Wt(Kg) | 3 | 4 | 5 | 7 | 9 | 12 | 18 | 28 | 46 | 75 | 106 | 190 |
法兰连接尺寸 | GB/T9113、JB/T79、HG/T20594 | |||||||||||
PN6.4MPa外形尺寸
公称通径DN | 15 | 20 | 25 | 32 | 40 | 50 | 65 | 80 | 100 | 125 | 150 | 200 |
L | 165 | 190 | 216 | 229 | 241 | 292 | 330 | 356 | 432 | 508 | 559 | 660 |
H | 59 | 63 | 75 | 97 | 107 | 142 | 152 | 178 | 252 | 272 | 305 | 398 |
W | 130 | 130 | 160 | 230 | 230 | 400 | 400 | 700 | 1100 | 1100 | 1500 | 1800 |
Wt(Kg) | 6.5 | 7 | 8 | 12 | 14 | 18 | 28 | 40 | 65 | 98 | 140 | 250 |
法兰连接尺寸 | GB/T9113、JB/T79、HG/T20594 | |||||||||||
良好的品质、优良的服务 熊猫体育平台官方网站-熊猫(中国)为你创造更多价值!
“熊猫体育平台官方网站-熊猫(中国)”的期望,不断提升服务质量,精益求精,“真诚的服务”是“熊猫体育平台官方网站-熊猫(中国)”永恒的主题。“熊猫体育平台官方网站-熊猫(中国)”严格按照IS09001-2000 质量体系认证要求,质量严格把关, 责任到人,确保生产、销售、服务的健康运行。加强与用户沟通,竭诚为广大客户提供优良产品,至善至美服务。特此我厂做出以下承诺:
产品标准:
产品严格按照中国GB、HG 标准和美国API等标准设计、制造、验收。密封面硬度达到国家规定要求,宽度超过国家标准。
售前服务:
产品介绍,技术交流,非标产品设计,疑难解答。
售中服务:
守信合同,保证及时供货,随时保持与客户联系。 对特殊或复制的产品,我厂安排技术人员对用户进行产品使用、故障排除
售后服务:
1、“熊猫体育平台官方网站-熊猫(中国)”牌产品品质期为自出厂起12个月,实行“三包”服务(包退、包换、保修)。
2、产品在使用中我厂定期组织技术、质检人员进行访问,征询用户对产品质量、 使用状况、改进意见等方面的反馈, 以便进一步提高产品质量。
3、对用户投诉质量问题,快速作出反应,售后服务人员在24-36小时(省外48小时)赶赴现场。
4、对售后服务,要求用户填写服务后的质量反馈信息表,并作出鉴定意见,以便提高熊猫体育平台官方网站-熊猫(中国)的服务质量。
1、客户如对产品有特殊要求,须在订货合同中提供以下说明:
a、结构长度;
b、连接形式;
c、公称直径、全通径、缩径、管道尺寸;
d、运行介质及温度、压力范围;
e、试验、检验标准及其他要求
2、本厂可根据客户特定要求配置各类驱动装置。
3、如由客户提供确定的阀门类型和型号时,客户应正确说明其型号的含义和要求,在供需双方理解一致的条件下签订合同。
4、期货、订货的客户请先来电函详细告诉所需的阀门型号、规格、数量以及交货时间、地点,并按总的30%预定金或全额货款及时汇入我厂帐户,其余货款待发货前汇入,以便及时安排发货。
订单流程:
1、客户采购清单传真至,或来电咨询
2、收到客户采购清单,为客户提供阀门型号选型与报价(价格清单)。
3、具体商定:交货期、特殊要求等事宜。
订货须知:
1、客户如对产品有特殊要求,须在订货合同中提供以下说明:
|
|||||
|
|||||
2、本厂可根据客户特定要求配置各类驱动装置。
|
|||||
3、如由客户提供确定的阀门类型和型号时,客户应正确说明其型号的含义和要求,在供需双方理解一致的条件下签订合同。
|
|||||
4、期货、订货的客户请先来电函详细告诉所需的阀门型号、规格、数量以及交货时间、地点,并按总的30%预定金或全额货款及时汇入我厂账户, 其余货款待发货前汇入,以便及时安排发货。
|
售中服务:
守信合同,保证及时供货,随时保持与客户联系。
对特殊或复制的产品,我厂安排技术人员对用户进行产品使用、故障排除
售后服务:
1、“熊猫体育平台官方网站-熊猫(中国)”产品品质期为自出厂起12个月,实行“三包”服务(包退、包换、保修)。
2、产品在使用中我厂定期组织技术、质检人员进行访问,征询用户对产品质量、使用状况、改进意见等方面的反馈,
以便进一步提高产品质量。
3、对用户投诉质量问题,快速作出反应,售后服务人员在24-36小时(省外48小时)赶赴现场。
4、对售后服务,要求用户填写服务后的质量反馈信息表,并作出鉴定意见,以便提高“熊猫体育平台官方网站-熊猫(中国)”的服务质量。
声明 |
|